Codeur rotatif, incrémental,
Nombre d'impulsions : jusqu'à 16384 imp/tr,
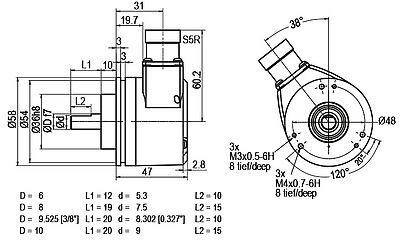
arbre plein, bride de serrage : Ø 58 mm
Arbre : Ø 6 mm, Ø 8 mm, Ø 3/8" (9.525 mm), Ø 10 mm,
Degré de protection IP67 intégral,
Forme des signaux : Rectangulaire,
Principe fonctionnel : magnétique.
- Codeur rotatif standard pour l'industrie
- Degré de protection IP67, à l'entrée de l'arbre IP65
- Excellente sécurité mécanique et électrique
- Optionnel :
Degré de protection IP67 intégral,
-40 °C à +85 °C,
Membrane d'égalisation de pression
Information: Attention: Pas d'option AAO = IP67 intégral
Longueur de l'arbre: L : 12 mm
Charge rad. max. sur l'arbre: 125 N
Charge ax. max. sur l'arbre: 120 N
Information: Attention: Pas d'option AAO = IP67 intégral
Longueur de l'arbre: L : 19 mm
Charge rad. max. sur l'arbre: 125 N
Charge ax. max. sur l'arbre: 120 N
Information: Attention: Pas d'option AAO = IP67 intégral
Longueur de l'arbre: L : 20 mm
Charge rad. max. sur l'arbre: 220 N
Charge ax. max. sur l'arbre: 120 N
Longueur de l'arbre: L : 20 mm
Charge rad. max. sur l'arbre: 220 N
Charge ax. max. sur l'arbre: 120 N
Consommation interne: typ. 40 mA
Données environnementales
ESD (DIN EN 61000-4-2):
8 kV
Burst (DIN EN 61000-4-4):
2 kV
Qui comprend EMC:
DIN EN 61000-6-2
DIN EN 61000-6-3
Vibration :
(DIN EN 60068-2-6)
50 m/s2 (10 Hz à 2000 Hz)
Choc :
(DIN EN 60068-2-27)
1000 m/s2 (6 ms)
Electrial Safety :
selon la norme DIN VDE 0160
Information sur les droits
Numéro de tarif douanier :
90318020
Pays d'origine :
Allemagne
Le fichier STEP que vous avez demandé n'apparaît pas :
Exigence fichier STEP Ici
| Désignation | ABN inv. poss. | |
|---|---|---|
| L2 | axial, blindage relié électriquement au boîtier codeur | ● |
| L2 | L2 | |
| Connexion | N35 | M35 |
| GND | WH | WH |
| (+) Vcc | BN | BN |
| A | GN | GN |
| B | YE | YE |
| N | GY | GY |
| - | - | - |
| A inv. | - | RD |
| B inv. | - | BK, (BU á ACA) |
| N inv. | - | VT |
| Blindage | toron | toron |
Le fichier STEP que vous avez demandé n'apparaît pas :
Exigence fichier STEP Ici
| Désignation | ABN inv. poss. | |
|---|---|---|
| L3 | radial, blindage relié électriquement au boîtier codeur | ● |
| L3 | L3 | |
| Connexion | N35 | M35 |
| GND | WH | WH |
| (+) Vcc | BN | BN |
| A | GN | GN |
| B | YE | YE |
| N | GY | GY |
| - | - | - |
| A inv. | - | RD |
| B inv. | - | BK, (BU á ACA) |
| N inv. | - | VT |
| Blindage | toron | toron |
Le fichier STEP que vous avez demandé n'apparaît pas :
Exigence fichier STEP Ici
| Désignation | ABN inv. poss. | |
|---|---|---|
| K1 | radial, sans blindage (IP40) | ● |
| K1 | K1 | |
| Connexion | N35 | M35 |
| GND | WH | WH |
| (+) Vcc | BN | BN |
| A | GN | GN |
| B | YE | YE |
| N | GY | GY |
| - | - | - |
| A inv. | - | RD |
| B inv. | - | BK |
| N inv. | - | VT |
| Blindage | toron | toron |
Le fichier STEP que vous avez demandé n'apparaît pas :
Exigence fichier STEP Ici
| Désignation | ABN inv. poss. | |
|---|---|---|
| SI5 | axial, 5-pôles, connecteur relié électriquement au boîtier codeur | - |
| SI6 | axial, 6-pôles, connecteur relié électriquement au boîtier codeur | - |
| SI8 | axial, 8-pôles, connecteur relié électriquement au boîtier codeur | ● |
| SI12 | axial, 12-pôles, connecteur relié électriquement au boîtier codeur | ● |
Le fichier STEP que vous avez demandé n'apparaît pas :
Exigence fichier STEP Ici
| Désignation | ABN inv. poss. | |
|---|---|---|
| SH5 | radial, 5-pôles, connecteur relié électriquement au boîtier codeur | - |
| SH6 | radial, 6-pôles, connecteur relié électriquement au boîtier codeur | - |
| SH8 | radial, 8-pôles, connecteur relié électriquement au boîtier codeur | ● |
| SH12 | radial, 12-pôles, connecteur relié électriquement au boîtier codeur | ● |
Le fichier STEP que vous avez demandé n'apparaît pas :
Exigence fichier STEP Ici
| Désignation | ABN inv. poss. | |
|---|---|---|
| S2 | axial, 7-pôles, connecteur relié électriquement au boîtier codeur | - |
Le fichier STEP que vous avez demandé n'apparaît pas :
Exigence fichier STEP Ici
| Désignation | ABN inv. poss. | |
|---|---|---|
| S3 | radial, 7-pôles, connecteur relié électriquement au boîtier codeur | - |
Le fichier STEP que vous avez demandé n'apparaît pas :
Exigence fichier STEP Ici
| Désignation | ABN inv. poss. | |
|---|---|---|
| S4 | axial, 12-pôles, connecteur relié électriquement au boîtier codeur | ● |
Le fichier STEP que vous avez demandé n'apparaît pas :
Exigence fichier STEP Ici
| Désignation | ABN inv. poss. | |
|---|---|---|
| S5 | radial, 12-pôles, connecteur relié électriquement au boîtier codeur | ● |
Le fichier STEP que vous avez demandé n'apparaît pas :
Exigence fichier STEP Ici
| Désignation | ABN inv. poss. | |
|---|---|---|
| S4R | axial, 12-pôles, connecteur relié électriquement au boîtier codeur | ● |
Le fichier STEP que vous avez demandé n'apparaît pas :
Exigence fichier STEP Ici
| Désignation | ABN inv. poss. | |
|---|---|---|
| S5R | radial, 12-pôles, connecteur relié électriquement au boîtier codeur | ● |
Le fichier STEP que vous avez demandé n'apparaît pas :
Exigence fichier STEP Ici
| Désignation | ABN inv. poss. | |
|---|---|---|
| SB5 | axial, 5-pôles, connecteur relié électriquement au boîtier codeur | - |
| SB8 | axial, 8-pôles, connecteur relié électriquement au boîtier codeur | ● |
Le fichier STEP que vous avez demandé n'apparaît pas :
Exigence fichier STEP Ici
| Désignation | ABN inv. poss. | |
|---|---|---|
| SC5 | radial, 5-pôles, connecteur relié électriquement au boîtier codeur | - |
| SC8 | radial, 8-pôles, connecteur relié électriquement au boîtier codeur | ● |
1-16384 imp/tr
Le codeur rotatif WDGI 58B peut également être livré avec la protection élevée IP67 intégrale.
(IP67 complet uniquement connexion SB, SC, L2 ou L3 version ; pas de connexion de câble K1 = IP40).
Vitesse de fonctionnement max. : 3500 tr/min.
Charge sur arbre admissible : axiale 100 N; radiale: 110 N
Couple de démarrage : env. 4 Ncm en température ambiante
Le codeur rotatif WDGI 58B est également disponible avec une membrane d'égalisation de pression. Celle-ci empêche la pénétration de l'eau dans le boîtier du codeur rotatif en cas de forte humidité de l'air.
Indice de protection jusqu'à IP67, la plage de température et le brouillard salin sont préservés. Résistant aux produits chimiques et aux solvants selon DIN EN ISO2812-1
Lors de votre commande, merci de compléter le numéro de commande par un numéro à 3 chiffres qui indique la longueur en décimètres.
Exemple : 5 m longueur de câble = 050
The future of steel production with smart sensor technology.
Connecteur femelle (prise) KI-5-67 :
Convient pour les codeurs rotatifs avec sortie prise capteur SB5 et SC5, 5-pôles, IP67
Câble confectionné blindé avec boîtier de raccordement droit,
blindage (écran) en saillie.
Connecteur femelle (prise) KIA-5-67 :
Convient pour les codeurs rotatifs avec sortie prise capteur SB5 et SC5, 5-pôles, IP67
Câble confectionné blindé avec boîtier de raccordement à angle,
blindage (écran) en saillie.
Connecteur femelle (prise) KI-8-67 :
Convient pour les codeurs rotatifs avec sortie prise capteur SB8 et SC8, 8-pôles, IP67
Câble confectionné blindé avec boîtier de raccordement droit,
blindage (écran) en saillie.
Connecteur femelle (prise) KIA-8-67 :
Convient pour les codeurs rotatifs avec sortie prise capteur SB8 et SC8, 8-pôles, IP67
Câble confectionné blindé avec boîtier de raccordement à angle,
blindage (écran) en saillie.
Angle de montage MW58B
Convient pour codeurs rotatifs incrémentaux WDGI 58B, 58K, 58D, 58N, WDG 58T et
codeurs rotatifs absolus WDGA 58B.
Bride carrée QF58B
Convient pour codeurs rotatifs incrémentaux WDGI 58B, 58K, 58D, 58N, WDG 58T et
codeurs rotatifs absolus WDGA 58B, WDGA 58D.
Bride carrée WDGQF58B04
Convient pour codeurs rotatifs incrémentaux WDGI 58B, 58K, 58D, 58N, WDG 58T et
codeurs rotatifs absolus WDGA 58B, WDGA 58D.
Excentrique de serrage SP-3-00
Convient pour codeurs rotatifs incrémentaux WDG 40A, 50B, 58T, WDGI 58A, 58B, 58C, 58D, 58K, 63B, WDGP 36A, WDGP 58A, WDGP 58B et codeurs rotatifs absolus WDGA 36A, WDGA 58A, WDGA 58B.
Accouplement flexible à membranes métalliques FSK22
pour codeurs rotatifs avec axe Ø 6 mm, 10 mm ou 12 mm.
Accouplement flexible à hélicoïdes WK24
pour codeurs rotatifs avec axe Ø 6 mm, 8 mm, 10 mm ou 12 mm.
Accouplement flexible à hélicoïdes WK32
pour codeurs rotatifs avec axe Ø 6 mm ou 10 mm.
Accouplement flexible à soufflet BK29
pour codeurs rotatifs avec axe Ø 6 mm, 8 mm, 10 mm ou 12 mm*.
Décalage radial max. de l'arbre : ± 0,25 mm ou ± 0,30 mm*
Rigidité du ressort de torsion : 150 Nm/rad ou 130 Nm/rad*
Accouplement flexible à soufflet FB29B
pour codeurs rotatifs avec axe Ø 4 mm, 6 mm, 8 mm, 10 mm ou 12 mm.
Accouplement à anneau élastomère DSK29
pour codeur axe Ø 6 mm, 8 mm ou 10 mm.
Pas de pièces mobiles, isolant thermiquement et électriquement, bon fonctionnement, sans maintenance.
Bonne résistance à l':
Essence, pétrole, le benzène, le toluène, les hydrocarbures aromatiques et non aromatiques, les alcools, les glycols, solvants et de nombreux produits chimiques.
Accouplement à anneau élastomère DSK38
pour codeur axe Ø 6 mm, 8 mm, 10 mm ou 12 mm.
Pas de pièces mobiles, isolant thermiquement et électriquement, bon fonctionnement, sans maintenance.
Bonne résistance à l':
Essence, pétrole, le benzène, le toluène, les hydrocarbures aromatiques et non aromatiques, les alcools, les glycols, solvants et de nombreux produits chimiques.
Accouplement à anneau élastomère DSK48
pour codeur axe Ø 10 mm, 12 mm ou 14 mm.
Pas de pièces mobiles, isolant thermiquement et électriquement, bon fonctionnement, sans maintenance.
Bonne résistance à l':
Essence, pétrole, le benzène, le toluène, les hydrocarbures aromatiques et non aromatiques, les alcools, les glycols, solvants et de nombreux produits chimiques.
Bras à ressort pour codeur rotatif types
58B, 58D, 58K, 58N et 58T
pour mesure de longueur
Bras à ressort pour codeur rotatif types
58B, 58D, 58K, 58N et 58T
pour mesure de longueur
Bras à ressort pour codeur rotatif types
58B, 58D, 58K, 58N et 58T
pour mesure de longueur
Support de l'encodeur égalisation linéaire
pour codeur rotatif types
58B, 58D, 58K, 58N et 58T
pour mesure de longueur
Roue de mesure MR150GR06
Circonférence : 150 mm,
Surface de revêtement : Joint torique de 3,5 mm de large, matériau NBR70
Domaines d'application : Bois, métal, bandes transporteuses, papier, textiles.
Pour codeurs rotatifs avec axe : Ø 6 mm
Roues de mesure MRA200KR
Circonférence 200 mm,
Surface de revêtement : moletage croisé
Domaines d'application : Carton, bois, textiles, caoutchouc, plastique souple.
Pour codeurs rotatifs avec axe : Ø 6 mm, Ø 10 mm ou Ø 12 mm.
Roues de mesure MR200KH
Circonférence 200 mm,
Surface de revêtement : plastique (Polyuréthane, lisse)
Domaines d'application : plastique, surfaces peintes, papier, carton, bois, métal, textiles.
Pour codeurs rotatifs avec axe : Ø 6 mm ou 10 mm.
Roues de mesure MRA200KH
Circonférence 200 mm,
Surface de revêtement : plastique (Polyuréthane, lisse)
Domaines d'application : métal graissé, profilés en acier, surfaces peintes, plastique, papier, carton, bois, textiles, fil, cuir.
Pour codeurs rotatifs avec axe : Ø 6 mm, Ø 10 mm ou Ø 12 mm.
Roues de mesure MRA200NG
Circonférence 200 mm,
Surface de revêtement : Polyuréthane à picots
Domaines d'application : Textiles grossiers, tapis, mesure de câble, toison, papier, carton, bois, plastique.
Pour codeurs rotatifs avec axe : Ø 6 mm, Ø 10 mm ou Ø 12 mm.
Roues de mesure MR200KG
Circonférence 200 mm,
Surface de revêtement : plastique (Hytrel, strié)
Domaines d'application : plastique, surfaces peintes, papier, carton, bois, métal, textiles.
Pour codeurs rotatifs avec axe : Ø 6 mm ou 10 mm.
Roues de mesure MRA200KG
Circonférence 200 mm,
Surface de revêtement : plastique (Polyuréthane, strié)
Domaines d'application : Métal non graissé, surfaces peintes, plastique, papier, carton, bois, textiles, verre, revêtements de sol.
Pour codeurs rotatifs avec axe : Ø 6 mm, Ø 10 mm ou Ø 12 mm
Roues de mesure MRA500KR
Circonférence 500 mm,
Surface de revêtement : moletage croisé
Domaines d'application : Carton, bois, textiles, caoutchouc, plastique souple.
Pour codeurs rotatifs avec axe : Ø 10 mm ou Ø 12 mm.
Roues de mesure MR500KH
Circonférence 500 mm,
Surface de revêtement : plastique (Hytrel, lisse)
Domaines d'application : plastique, surfaces peintes, papier, carton, bois, métal, textiles.
Pour codeurs rotatifs avec axe : Ø 10 mm.
Roues de mesure MRA500KH
Circonférence 500 mm,
Surface de revêtement : plastique (Polyuréthane, lisse)
Domaines d'application : métal graissé, profilés en acier, surfaces peintes, plastique, papier, carton, bois, textiles, fil, cuir.
Pour codeurs rotatifs avec axe : Ø 10 mm ou Ø 12 mm.
Roues de mesure MR500KG
Circonférence 500 mm,
Surface de revêtement : plastique (Hytrel, strié)
Domaines d'application : Plastique, surfaces peintes, papier, carton, bois, métal, textiles.
Pour codeurs rotatifs avec axe : Ø 10 mm.
Roues de mesure MRA500KG
Circonférence 500 mm,
Surface de revêtement : plastique (Polyuréthane, strié)
Domaines d'application : Métal non graissé, surfaces peintes, plastique, papier, carton, bois, textiles, verre, revêtements de sol.
Pour codeurs rotatifs avec axe : Ø 10 mm ou Ø 12 mm.
Roues de mesure MR500KV
Circonférence 500 mm,
Surface de revêtement : plastique (Vulkollan®, lisse)
Domaines d'application : Plastique, surfaces peintes, papier, carton, bois, métal, fil.
Pour codeurs rotatifs avec axe : Ø 10 mm.
Roues de mesure MRA500NG
Circonférence 500 mm,
Surface de revêtement : Polyuréthane à picots
Domaines d'application : Textiles grossiers, tapis, mesure de câble, toison, papier, carton, bois, plastique.
Pour codeurs rotatifs avec axe : Ø 10 mm oder Ø 12 mm.
Roue de mesure MRA200GR10
Circonférence : 150 mm,
Surface de revêtement : Joint torique de 3,5 mm de large, matériau NBR70
Domaines d'application : Bois, surfaces vernies, papier, matières plastiques.
Pour codeurs rotatifs avec axe : Ø 10 mm.
Here you find a list of our distributors worldwide








































