WDGWA10M08
Adaptateur d'arbre M8 WDGWA10M08
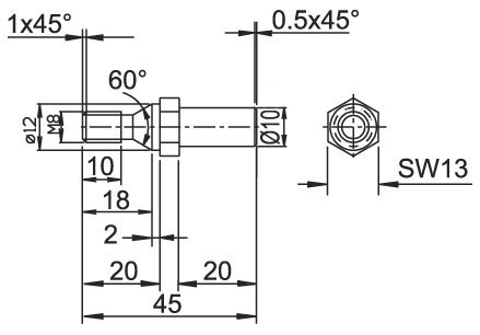
pour arbre creux terminal et arbre creux (traversant) Ø 10 mm
ou accouplements Ø 10 mm,
filetage M8.

Illustration similar
Filetage
M08
Numéro(s) de commande
WDGWA10M08
Adaptateur d'arbre
Visionneuse STEP / Fichiers STEP:
Le fichier STEP que vous avez demandé n'apparaît pas :
Exigence fichier STEP Ici
For further information please contact our local distributor.
Here you find a list of our distributors worldwide
Here you find a list of our distributors worldwide
Vous souhaitez obtenir une offre ou souhaitez un rappel. Demande









