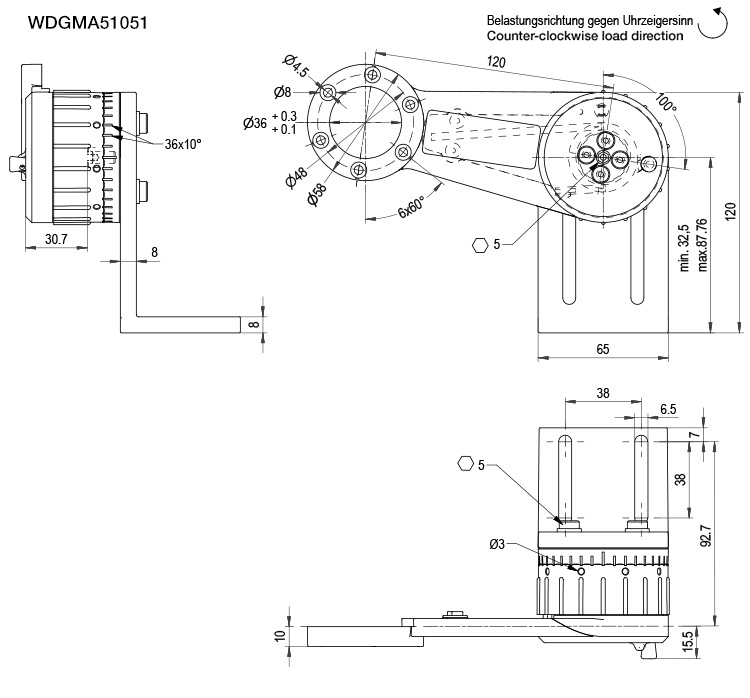
WDGMA5105x
Bras à ressort pour codeur rotatif types
58B, 58D, 58K, 58N et 58T
pour mesure de longueur

Illustration similar
Highlights
- Montage quelconque : du bas, du haut, horizontalement, verticalement
- Force de précontrainte réglable : 5 N à 30 N (en pas de 5 N)
- Combinable avec toutes les roues de mesure de 200 mm et 500 mm de circonférence
- Disponible avec deux directions de charger
Débattement du ressort
Débattement du ressort et précharge :
5 N = 90°
10 N = 80°
...
30 N = 40°
Gewicht
env. 755 g
Numéro(s) de commande
WDGMA51051
Direction de charge anti-horaire
WDGMA51052
Direction de charge sens horaire
For further information please contact our local distributor.
Here you find a list of our distributors worldwide
Here you find a list of our distributors worldwide
Vous souhaitez obtenir une offre ou souhaitez un rappel. Demande










