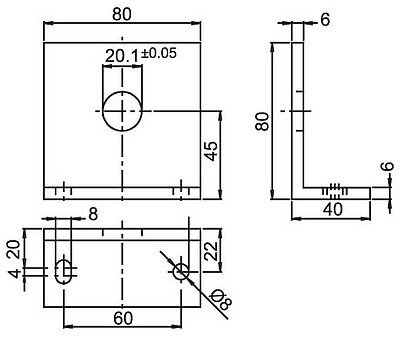
MW40S
Angle de montage MW40S
Convient pour codeurs rotatifs incrémentaux 36S, 40S, 50V, 53V.

Illustration similar
Matériau
Aluminium
Numéro(s) de commande
MW40S
Angle de montage pour WDG 40S
Visionneuse STEP / Fichiers STEP:
Le fichier STEP que vous avez demandé n'apparaît pas :
Exigence fichier STEP Ici
For further information please contact our local distributor.
Here you find a list of our distributors worldwide
Here you find a list of our distributors worldwide
Vous souhaitez obtenir une offre ou souhaitez un rappel. Demande









