Codeur rotatif absolu SSI WDGA 36C,
Arbre plein, bride ronde;
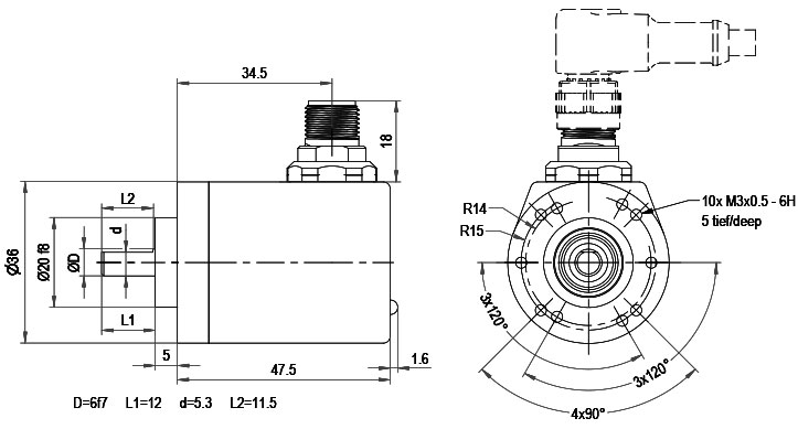
Boîtier : Ø 36 mm
16/43-bit monotour/multitours;
Arbre plein : Ø 6 mm;
Code : binaire ou gray

- Technologie Multitours EnDra® :
sans maintenance et respectueuse de l'environnement - Version compacte et robuste pour l'industrie
- Interface : SSI (interface série synchrone)
- Code : binaire ou gray
- Mise à zéro possible
- Sens de comptage modifiable
- LED de signalisation pour statut
- EMC : EN 61000-6-2, EN 61000-6-3
jusqu'à 65.536 pas /360° (16 bits)
Résolution multitoursjusqu'à 43 bits.
Longueur de l'arbre: L : 12 mm
Charge rad. max. sur l'arbre: 80 N
Charge ax. max. sur l'arbre: 50 N
Consommation interne: typ. 50 mA
Puissance absorbée: max. 0,5 W
Consommation interne: typ. 80 mA
Puissance absorbée: max. 0,44 W
Le fichier STEP que vous avez demandé n'apparaît pas :
Exigence fichier STEP Ici
Désignation | |
---|---|
L2 | axial, blindage relié électriquement au boîtier codeur |
GND | WH |
(+) Vcc | BN |
SSI CLK+ | GN |
SSI CLK- | YE |
SSI DATA+ | GY |
SSI DATA- | PK |
PRESET | BU |
DIR | RD |
blindage | boîtier |
Le fichier STEP que vous avez demandé n'apparaît pas :
Exigence fichier STEP Ici
Désignation | |
---|---|
L3 | radial, blindage relié électriquement au boîtier codeur |
GND | WH |
(+) Vcc | BN |
SSI CLK+ | GN |
SSI CLK- | YE |
SSI DATA+ | GY |
SSI DATA- | PK |
PRESET | BU |
DIR | RD |
blindage | boîtier |
Le fichier STEP que vous avez demandé n'apparaît pas :
Exigence fichier STEP Ici
Désignation | |
---|---|
K1 | radial, sans blindage |
GND | WH |
(+) Vcc | BN |
SSI CLK+ | GN |
SSI CLK- | YE |
SSI DATA+ | GY |
SSI DATA- | PK |
PRESET | BU |
DIR | RD |
blindage | boîtier ouvert |
Le fichier STEP que vous avez demandé n'apparaît pas :
Exigence fichier STEP Ici
Désignation | |
---|---|
K6 | axial, sans blindage |
GND | WH |
(+) Vcc | BN |
SSI CLK+ | GN |
SSI CLK- | YE |
SSI DATA+ | GY |
SSI DATA- | PK |
PRESET | BU |
DIR | RD |
blindage | boîtier ouvert |
Le fichier STEP que vous avez demandé n'apparaît pas :
Exigence fichier STEP Ici
Désignation | |
---|---|
CB8 | axial, 8-pôles, blindage relié électriquement au boîtier codeur |
Le fichier STEP que vous avez demandé n'apparaît pas :
Exigence fichier STEP Ici
Désignation | |
---|---|
CC8 | radial, 8-pôles, blindage relié électriquement au boîtier codeur |

...to be directly installed in motors.


- Absolute encoders with flange Ø 36 mm / Ø 58 mm
- Single-/Multiturn (16/43 bit)
- Ground-breaking technology 32 Bit processor
- Very high shaft loading, IP67
- EnDra® Multiturn technology: No gears, no battery
- QuattroMag® Singleturn technology: High precision +/- 0,0878°


- Codeurs incrémentaux et absolus
- Systèmes Feedback moteur
- Systèmes de mesure de déplacement
- Recopie de mesures pour ascenceurs
- Fabrication Allemande


Connecteur femelle (prise) KI-8-67-SSI :
Convient pour les codeurs rotatifs absolus WDGA SSI
avec sorties connecteur CB8 et CC8, 8-pôles, IP67
Câble confectionné blindé avec boîtier de raccordement droit,
blindage (écran) en saillie.

Connecteur femelle (prise) KIA-8-67-SSI :
Convient pour les codeurs rotatifs absolus WDGA SSI
avec sorties connecteur CB8 et CC8, 8-pôles, IP67
Câble confectionné blindé avec boîtier de raccordement à angle,
blindage (écran) en saillie.

Accouplement flexible à membranes métalliques FSK22
pour codeurs rotatifs avec axe Ø 6 mm, 10 mm ou 12 mm.

Accouplement flexible à hélicoïdes WK22
pour codeurs rotatifs avec axe Ø 6 mm.

Accouplement flexible à hélicoïdes WK24
pour codeurs rotatifs avec axe Ø 6 mm, 8 mm, 10 mm ou 12 mm.

Accouplement flexible à hélicoïdes WK32

Accouplement flexible à soufflet BK29
pour codeurs rotatifs avec axe Ø 6 mm, 8 mm, 10 mm ou 12 mm*.
Décalage radial max. de l'arbre : ± 0,25 mm ou ± 0,30 mm*
Rigidité du ressort de torsion : 150 Nm/rad ou 130 Nm/rad*

Accouplement flexible à soufflet FB29B
pour codeurs rotatifs avec axe Ø 4 mm, 6 mm, 8 mm, 10 mm ou 12 mm.

Accouplement à anneau élastomère DSK29
pour codeur axe Ø 6 mm, 8 mm ou 10 mm.
Pas de pièces mobiles, isolant thermiquement et électriquement, bon fonctionnement, sans maintenance.
Bonne résistance à l':
Essence, pétrole, le benzène, le toluène, les hydrocarbures aromatiques et non aromatiques, les alcools, les glycols, solvants et de nombreux produits chimiques.

Accouplement à anneau élastomère DSK38
pour codeur axe Ø 6 mm, 8 mm, 10 mm ou 12 mm.
Pas de pièces mobiles, isolant thermiquement et électriquement, bon fonctionnement, sans maintenance.
Bonne résistance à l':
Essence, pétrole, le benzène, le toluène, les hydrocarbures aromatiques et non aromatiques, les alcools, les glycols, solvants et de nombreux produits chimiques.

Roue de mesure MR150GR06
Circonférence : 150 mm,
Surface de revêtement : Joint torique de 3,5 mm de large, matériau NBR70
Domaines d'application : Bois, métal, bandes transporteuses, papier, textiles.
Pour codeurs rotatifs avec axe : Ø 6 mm

Roues de mesure MR200KR
Circonférence 200 mm,
Surface de revêtement : moletage croisé
Domaines d'application : carton, bois, certains textiles.
Pour codeurs rotatifs avec axe : Ø 6 mm ou 10 mm.

Roues de mesure MRA200KR
Circonférence 200 mm,
Surface de revêtement : moletage croisé
Domaines d'application : Carton, bois, textiles, caoutchouc, plastique souple.
Pour codeurs rotatifs avec axe : Ø 6 mm, Ø 10 mm ou Ø 12 mm.

Roues de mesure MR200KH
Circonférence 200 mm,
Surface de revêtement : plastique (Polyuréthane, lisse)
Domaines d'application : plastique, surfaces peintes, papier, carton, bois, métal, textiles.
Pour codeurs rotatifs avec axe : Ø 6 mm ou 10 mm.

Roues de mesure MRA200KH
Circonférence 200 mm,
Surface de revêtement : plastique (Polyuréthane, lisse)
Domaines d'application : métal graissé, profilés en acier, surfaces peintes, plastique, papier, carton, bois, textiles, fil, cuir.
Pour codeurs rotatifs avec axe : Ø 6 mm, Ø 10 mm ou Ø 12 mm.

Roues de mesure MR200NG
Circonférence 200 mm,
Surface de revêtement : caoutchouc à picots
Domaines d'application : textiles.
Pour codeurs rotatifs avec axe : Ø 6 mm ou 10 mm

Roues de mesure MRA200NG
Circonférence 200 mm,
Surface de revêtement : Polyuréthane à picots
Domaines d'application : Textiles grossiers, tapis, mesure de câble, toison, papier, carton, bois, plastique.
Pour codeurs rotatifs avec axe : Ø 6 mm, Ø 10 mm ou Ø 12 mm.

Roues de mesure MR200KG
Circonférence 200 mm,
Surface de revêtement : plastique (Hytrel, strié)
Domaines d'application : plastique, surfaces peintes, papier, carton, bois, métal, textiles.
Pour codeurs rotatifs avec axe : Ø 6 mm ou 10 mm.

Roues de mesure MRA200KG
Circonférence 200 mm,
Surface de revêtement : plastique (Polyuréthane, strié)
Domaines d'application : Métal non graissé, surfaces peintes, plastique, papier, carton, bois, textiles, verre, revêtements de sol.
Pour codeurs rotatifs avec axe : Ø 6 mm, Ø 10 mm ou Ø 12 mm
Here you find a list of our distributors worldwide